用途:力士樂型十通徑電磁閥
交流電壓(V):110 220
內孔直徑(mm):Φ26
線圈長度(mm):47
微信:15236526823
- 產品詳情
- 特性曲線
產品型號:J12-54YC
產品描述:
本電磁鐵適用于交流50Hz,電壓至380V的控制電路中,作為液壓電磁換向閥的動力元件??膳涮子谑◤铰菁y聯結電磁換向閥。
正常工作條件
● 可任意方向安裝。
● 使用環境中應無足以腐蝕金屬和破壞絕緣的氣體和塵埃。否則,可能影響產品壽命。
● 電磁鐵適合長期工作制、斷續周期工作制。
● 電源電壓的合理波動范圍為85%-110% (特殊要求可訂貨時提出)。
● 外殼防護等級為IP65。
技術參數:
額定電壓(V) | AC 220/50HZ | 消耗功率(W) | 46 |
吸持電流(A/220V 50HZ) | 0.4 | 起步電流(A/220V 50HZ) | 1.5 |
持續通電率(%) | 100 | 額定推力(N) | ≥54 |
全行程(mm) | 8.5 | 額定行程(mm) | 4 |
承受油壓(MPa) | 21 | 防護等級 | IP65 |
切換頻率(t/h) | 12000 | 工作壽命(t) | 10X10---6 |
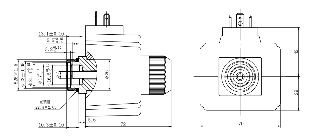
外形及安裝尺寸:

使用注意事項:
● 電磁鐵采用符合ISO4400標準的插座。有帶指示燈、不帶指示燈兩種規格,您可以根據需要進行選擇。帶指示燈插座的電壓規格必須與電磁鐵本體電壓規格相符。
● 電磁鐵的手動推桿用于在調試時或緊急情況下,進行手動控制。但當系統背壓較高,調節困難時,請使用十字螺絲刀緩推手動推桿,不宜使用沖擊力,以免破壞手動推桿和導向內孔表面,造成電磁鐵漏油或不能復位。
● 當系統要求低噪音時,或在使用過程中油液清潔度無法保證以及電源電壓波動范圍超過正常要求時,建議您選用交流本整型電磁鐵。
● 當雙向使用電磁鐵時,一定要保證兩個電磁鐵不能同時通電,以免電磁閥不能正常工 作。
● 電氣控制系統與電磁鐵連接部分之間應設有過流保護裝置,以免在非正常情況下,燒毀電磁鐵及您的電控元件。
樣本說明:
如顧客有不同的需要,在電磁鐵性能不變的情況下,電磁鐵與閥體的連接尺寸、推桿伸出長度及工作電源電壓可以根據要求調整。
S-F測試曲線:

通電時間-溫度曲線:

注:特性曲線僅供參考。
主要性能參數均為試驗條件下獲得。本公司保留修改參數的權力。
- 上一篇:插頭式電磁鐵 MFZ12-37YC
- 下一篇:方型交流電磁鐵 MFJ12-27YC
