用途:油研型六通徑電磁閥
直流電壓(V):12 24 110 220
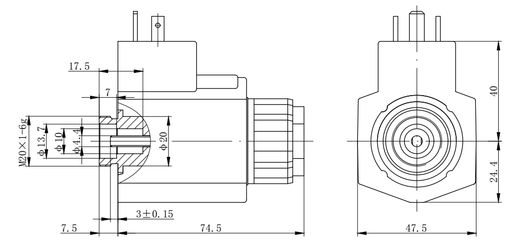
內孔直徑(mm):Φ20
線圈長度(mm):50.5
微信:15236526823
- 產品詳情
- 特性曲線
產品型號:MFZ9-20YC
用途:
MFZ9-20YC電磁鐵可配套于油研型六通經螺紋聯結的電磁換向閥。
本電磁鐵適用于單相橋式全波整流的交直流電源,電壓至220V的控制電路中,作為液壓電磁換向閥的動力元件??膳涮子诘聡κ繕罚≧EXROTH)六通徑螺紋聯結電磁換向閥。
正常工作條件
● 可任意方向安裝。
● 使用環境中應無足以腐蝕金屬和破壞絕緣的氣體和塵埃。否則,可能影響產品壽命。
● 電磁鐵適合長期工作制、斷續周期工作制。
● 電源電壓的合理波動范圍為85%-110% (特殊要求可訂貨時提出)。
● 外殼防護等級為IP65。
技術參數:
額定電壓(V) | DC 24 | 消耗功率(W) | 28 |
穩態額定推力(N) | ≥20 | 持續通電率(%) | 100 |
全行程(mm) | 6.5 | 額定行程(mm) | 3 |
承受油壓(MPa) | 21 | 防護等級 | IP65 |
切換頻率(t/h) | 15000 | 工作壽命(t) | 10X10---6 |
外形及安裝尺寸:

使用注意事項:
● 電磁鐵采用符合ISO4400標準的插座。有帶指示燈、不帶指示燈兩種規格,您可以根據需要進行選擇。帶指示燈插座的電壓規格必須與電磁鐵本體電壓規格相符。
● 電磁鐵的手動推桿用于在調試時或緊急情況下,進行手動控制。但當系統背壓較高,調節困難時,請使用十字螺絲刀緩推手動推桿,不宜使用沖擊力,以免破壞手動推桿和導向內孔表面,造成電磁鐵漏油或不能復位。
● 當雙向使用電磁鐵時,一定要保證兩個電磁鐵不能同時通電,以免電磁閥不能正常工 作。
● 電氣控制系統與電磁鐵連接部分之間應設有過流保護裝置,以免在非正常情況下,燒毀電磁鐵及您的電控元件。
樣本說明:
如顧客有不同的需要,在電磁鐵性能不變的情況下,電磁鐵與閥體的連接尺寸、推桿伸出長度及工作電源電壓可以根據要求調整。

- 上一篇:六通徑電磁鐵 MFJ9-26YC
- 下一篇:沒有了;
